【压 力】:PN0.6-1.6
【温 度】:-20----13????? ???????????????????? ???????????????????? ???????????????????? ???????????????5°C
【阀体材质】:铸铁、球墨铸铁、碳钢、不锈????? ???????????????????? ???????????????????? ???????????????????? ???????????????钢等
【适用介质】:淡水、污水、海水、弱酸????? ???????????????????? ??????????????????? ??????????????????? ???????????????碱等
????? ???????????????????? ???????????????????? ???????????????????? ??????????????? 双法兰涡轮蝶阀主要适用于水????? ???????????????????? ???????????????????? ???????????????????? ???????????????厂、电厂、钢厂冶炼、造纸????? ???????????????????? ???????????????????? ???????????????????? ???????????????、化工、饮食等系统排水用,尤为????? ???????????????????? ???????????????????? ???????????????????? ???????????????适用自来水管路上作为调节流量设备使????? ???????????????????? ???????????????????? ???????????????????? ???????????????用。
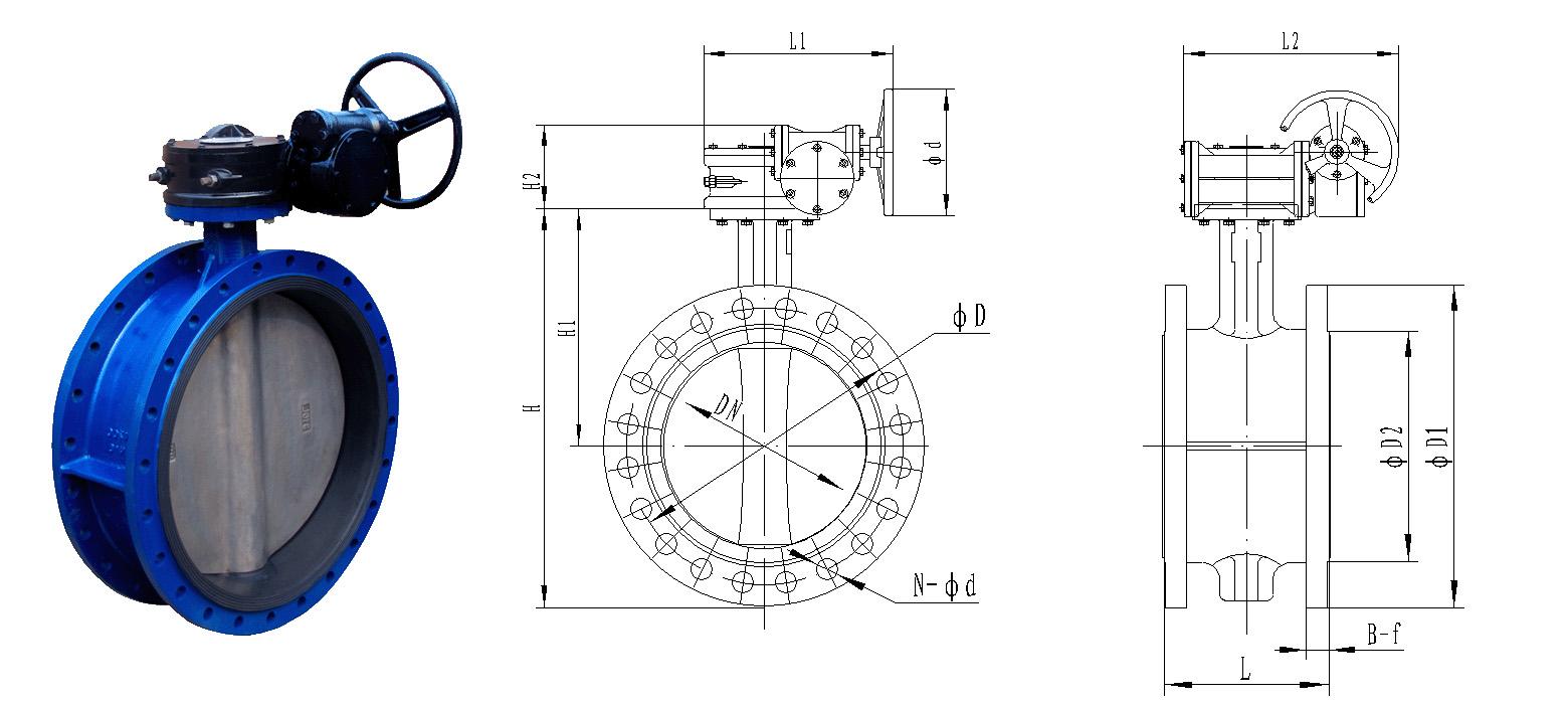
 ????? ???????????????????? ???????????????????? ???????????????????? ???????????????;D341X法兰软密封衬胶蝶阀,适用于温度????? ???????????????????? ???????????????????? ??????????????????? ???????????????≤120℃,公称压力≤1.6MPa,综合了偏心????? ???????????????????? ???????????????????? ??????????????????? ???????????????法兰蝶阀和中线对夹蝶阀的部分优点,填补了偏心????? ???????????????????? ???????????????????? ???????????????????? ??????????????法兰蝶阀与中线对夹蝶阀之????? ??????????????????? ??????????????????? ???????????????????? ???????????????间的一块空白。D341X法兰软????? ???????????????????? ???????????????????? ??????????????????? ???????????????密封衬胶蝶阀阀体内腔过流????? ???????????????????? ???????????????????? ???????????????????? ???????????????部分采用硫化衬胶设计,阀体阀座结合????? ???????????????????? ???????????????????? ???????????????????? ???????????????为一整体,具有良好的密封性能。
2、法兰软密封蝶阀的阀座、阀体有机????? ???????????????????? ??????????????????? ??????????????????? ???????????????地结合为一体,使阀门具有较长的使用寿命
3、D341X法兰软密封衬胶蝶阀的????? ???????????????????? ???????????????????? ???????????????????? ???????????????轴板无销连接、结构紧凑,法兰连接,安装便捷
4、法兰软密封蝶阀90°启闭,蜗轮????? ???????????????????? ???????????????????? ???????????????????? ???????????????传动,操作扭矩小
5、D341X法兰软密封衬胶蝶阀双向密封,性????? ???????????????????? ???????????????????? ???????????????????? ???????????????能优良,零件加工性能优越
6、流量特性趋于直线,调节性能好
|
阀门执行标准
|
名称
????? ???????????????????? ???????????????????? ???????????????????? ???????????????
|
设计及制造
????? ??????????????????? ???????????????????? ???????????????????? ???????????????
|
结构长度
|
试压标准
|
上法兰尺寸
|
侧法兰尺寸
????? ???????????????????? ??????????????????? ???????????????????? ???????????????
|
||
|
参照标准
|
GB/T 12238-2008
????? ???????????????????? ???????????????????? ???????????????????? ???????????????
|
GB/T 12221-2008
????? ???????????????????? ???????????????????? ???????????????????? ??????????????
|
GB/T 13927-2008
????? ???????????????????? ???????????????????? ???????????????????? ???????????????
|
ISO 5211
|
GB/T 17241.6-2008
????? ???????????????????? ???????????????????? ???????????????????? ???????????????
|
|||
|
主要零部件信息
????? ???????????????????? ???????????????????? ???????????????????? ??????????????
|
名称
|
1-阀体
|
2-阀座
????? ??????????????????? ???????????????????? ???????????????????? ???????????????
|
3-蝶板
|
4-阀轴
????? ???????????????????? ???????????????????? ???????????????????? ???????????????
|
5-涡轮
|
||
|
材质
|
球墨铸铁DI
|
三元乙丙橡胶EPD????? ???????????????????? ???????????????????? ???????????????????? ???????????????M
|
不锈钢304
????? ???????????????????? ???????????????????? ???????????????????? ???????????????
|
不锈钢410
|
组件
|
|||
|
尺寸信息
|
DN
|
NPS(英寸)
|
A
|
B
|
C
|
L
|
D
|
n-φd
????? ??????????????????? ???????????????????? ???????????????????? ???????????????
|
|
DN50
????? ???????????????????? ???????????????????? ???????????????????? ???????????????
????? ???????????? ???????????????????? ???????????????????? ???????????????????? ??????????????????????? |
2"
|
69.5
????? ???????????????????? ???????????????????? ??????????????????? ???????????????
|
126.5
|
32
|
108
|
125
|
4-φ19
|
|
|
DN65
|
2.5"
????? ???????????????????? ???????????????????? ???????????????????? ???????????????
|
72
|
136
|
32
|
112
|
145
|
4/8-φ19
|
|
|
DN80
|
3"
|
88
|
146
????? ???????????????????? ???????????????????? ???????????????????? ??????????????
|
32
|
114
|
160
|
8-φ19
|
|
|
DN100
|
4"
????? ???????????????????? ???????????????????? ??????????????????? ???????????????
|
96.5
????? ???????????????????? ???????????????????? ???????????????????? ???????????????
|
158
|
32
|
127
|
180
|
8-φ19
????? ???????????????????? ???????????????????? ???????????????????? ???????????????
|
|
|
DN125
????? ???????????????????? ???????????????????? ???????????????????? ???????????????
|
5"
|
115
????? ???????????????????? ???????????????????? ??????????????????? ??????????????
|
179
|
32
|
140
|
210
|
8-φ19
|
|
|
DN150
|
6"
????? ???????????????????? ???????????????????? ???????????????????? ???????????????
|
126
|
197
|
32
|
140
????? ???????????????????? ???????????????????? ???????????????????? ???????????????
|
240
|
8-φ23
|
|
|
DN200
|
8"
|
161
|
230
????? ??????????????????? ???????????????????? ???????????????????? ???????????????
|
45
|
152
|
295
????? ???????????????????? ??????????????????? ???????????????????? ???????????????
|
12-φ23
|
|
|
DN250
????? ???????????????????? ???????????????????? ???????????????????? ??????????????
|
10"
????? ???????????????????? ???????????????????? ???????????????????? ???????????????
|
199
|
271
????? ???????????????????? ???????????????????? ???????????????????? ???????????????
|
45
|
165
|
355
|
12-φ28
|
|
|
DN300
????? ???????????????????? ???????????????????? ???????????????????? ???????????????
|
12"
|
215
|
305
|
45
|
178
|
410
????? ???????????????????? ???????????????????? ???????????????????? ???????????????
|
12-φ28
????? ??????????????????? ???????????????????? ???????????????????? ???????????????
|
|
|
DN350
|
14"
|
261
|
350
|
45
????? ???????????????????? ???????????????????? ??????????????????? ???????????????
|
190
????? ???????????????????? ???????????????????? ???????????????????? ???????????????
|
470
????? ???????????????????? ???????????????????? ???????????????????? ???????????????
|
????? ????????????? ???????????????????? ??????????????????? ??????????????????? ?????????????????????
16-φ28
|
|
|
DN400
|
16"
|
290
|
381
????? ???????????????????? ??????????????????? ???????????????????? ???????????????
|
51
|
216
|
525
|
16-φ31
|
|
|
DN450
????? ??????????????????? ???????????????????? ???????????????????? ???????????????
|
18"
|
307
????? ???????????????????? ???????????????????? ???????????????????? ???????????????
|
392
|
51
|
222
|
585
|
20-φ31
|
|
|
DN500
|
20"
|
340
|
441
????? ???????????????????? ???????????????????? ??????????????????? ???????????????
|
57
|
229
|
650
|
20-φ34
|
|
|
DN600
|
24"
|
396
|
500
????? ???????????????????? ???????????????????? ???????????????????? ???????????????
|
70
|
267
????? ???????????????????? ???????????????????? ???????????????????? ??????????????
|
770
????? ??????????????????? ???????????????????? ???????????????????? ???????????????
|
20-φ37
|
|
|
DN700
|
28"
|
496
|
567
????? ???????????????????? ??????????????????? ???????????????????? ???????????????
|
66
|
292
????? ???????? ??????????????????? ???????????????????? ???????????????????? ???????????????????????????
|
840
|
24-φ37
????? ??????????????????? ???????????????????? ???????????????????? ??????????????
|
|
|
DN800
|
32"
????? ???????????????????? ???????????????????? ???????????????????? ???????????????
|
543
????? ???????????????????? ???????????????????? ???????????????????? ???????????????
|
641
|
66
|
318
????? ???????????????????? ???????????????????? ???????????????????? ???????????????
|
950
????? ???????????????????? ???????????????????? ???????????????????? ???????????????
|
24-φ40
|
|
|
DN900
????? ???????????????????? ???????????????????? ???????????????????? ???????????????
|
36"
|
584
|
692
|
118
|
330
|
1050
????? ???????????????????? ???????????????????? ???????????????????? ???????????????
|
28-φ40
|
|
|
DN1000
????? ???????????????????? ???????????????????? ???????????????????? ???????????????
|
40"
????? ???????????????????? ???????????????????? ???????????????????? ??????????????
|
638
|
735
????? ???????????????????? ???????????????????? ???????????????????? ???????????????
|
142
|
410
|
1170
|
28-φ43
|
|
|
DN1200
????? ???????????????????? ???????????????????? ???????????????????? ??????????????
|
44"
|
763
|
917
|
150
????? ???????????????????? ???????????????????? ???????????????????? ???????????????
|
470
|
1390
|
32-φ49
|
|






