&n????? ???????????????????? ???????????????????? ???????????????????? ???????????????bsp; 烟、风、煤????? ???????????????????? ???????????????????? ??????????????????? ???????????????粉管道ygfb(圆形)波纹补偿器是????? ???????????????????? ??????????????????? ???????????????????? ???????????????由橡胶和纤维织物复合材料、钢置法????? ???????????????????? ???????????????????? ??????????????????? ??????????????兰、套筒、保温隔热材料组成,主要用于各种风机、风????? ???????????????????? ???????????????????? ???????????????????? ??????????????管之间的柔性连接,其功能是减振、????? ???????????????????? ???????????????????? ???????????????????? ???????????????降噪、密封、耐介质,便于????? ?????? ???????????????????? ???????????????????? ???????????????????? ???????????????????????????????? ???????????????????? ???????????????????? ???????????????????? ?????????????????位移和安装。是环境保????? ???????????????????? ???????????????????? ???????????????????? ???????????????护领域中极为理想的减震、降噪、消除烟尘的????? ???????????????????? ??????????????????? ???????????????????? ???????????????管道件。
【产品名称】:烟、风、煤粉管道YGFB(圆形????? ???????????????????? ???????????????????? ???????????????????? ???????????????)波纹补偿器
【产品别名】:波纹补偿器
【产品规格】:【DN32mm-DN4000????? ???????????????????? ???????????????????? ???????????????????? ???????????????mm】
【产品认证】:ISO9001-2008
【适用范围】:【弱酸、弱碱、弱腐蚀类、油、热????? ??????????????????? ???????????????????? ???????????????????? ???????????????水、冷水等】
【产品材质】:碳钢,球墨铸????? ???????????????????? ???????????????????? ??????????????????? ???????????????铁,不锈钢.
【产品颜色】:蓝色,可根据客户要求调色.
【工作温度】:-40度至80度
产品优势: 1、补偿膨胀:可以补偿多方????? ???????????????????? ??????????????????? ???????????????????? ???????????????向,大大优于普通的单向金属补偿器。
2、补偿安装误差,由于管道联接过程中,????? ???????????????????? ???????????????????? ???????????????????? ???????????????系统误差在所难免,纤维补偿器较好????? ???????????????????? ???????????????????? ???????????????????? ???????????????的消除安装误差。
3、消声隔振:纤维织物、保湿????? ???????????????????? ??????????????????? ???????????????????? ???????????????棉本身具有吸声、隔振功能,能有效地减少锅炉、风????? ???????????????????? ???????????????????? ???????????????????? ??????????????机等系统的噪声和振动。
4、无反推力:由于主体材料为纤维织物、无力????? ??????????????????? ???????????????????? ???????????????????? ??????????????的传递。用纤维补偿器可简化设计、避免????? ???????????????????? ??????????????????? ??????????????????? ???????????????使用大的支座,节省大量的材料和劳动力。
5、良好的耐高温、耐腐蚀性????? ???????????????????? ???????????????????? ???????????????????? ??????????????:使用的氟塑料、有机硅材料较好的耐????? ???????????????????? ???????????????????? ???????????????????? ???????????????高温和耐腐蚀性能。
6、密封性好:有比较完善????? ??????????????????? ???????????????????? ??????????????????? ???????????????的生产装配系统,纤维补偿器基本无泄漏。????? ??????????????????? ???????????????????? ??????????????????? ???????????????
7、体轻、结构简单、安装维修方便。
1、法兰螺栓应逐步均匀地加压拧紧,所有螺丝栓松紧????? ???????????????????? ???????????????????? ???????????????????? ???????????????度尽可能一致。使用条件恶劣的场????? ???????????????????? ???????????????????? ???????????????????? ???????????????合,除加平垫外可添加弱弹簧圈,以防螺母松动。
2、补偿器与配套平焊法兰之????? ???????????????????? ???????????????????? ???????????????????? ??????????????间应按工作温度选用相应橡????? ???????????????????? ???????????????????? ???????????????????? ??????????????胶石棉垫片。
3、在试行时,应将补偿器限位螺丝作适当调整,便于????? ??????????????????? ???????????????????? ???????????????????? ???????????????产品伸长或压缩。
4、焊管连接时,应将限位螺丝适当松动,防止将补偿????? ???????????????????? ???????????????????? ???????????????????? ???????????????器限位板拉弯或产品变形。
5、焊接作业时作盖物遮住橡胶(织物)表面????? ???????????????????? ???????????????????? ???????????????????? ???????????????,防止焊渣损伤产品。
应用范围: 1、热电厂(????? ??????????????????? ???????????????????? ??????????????????? ???????????????1)汽机(2)锅炉(3)除尘;
2、水泥厂;
3、钢铁厂、熔炼炉、焚????? ???????????????????? ???????????????????? ???????????????????? ??????????????烧炉;
4、热电厂及核电站;
 ????? ???????????????????? ???????????????????? ???????????????????? ???????????????;5、空调送风系统;
6、玻璃及矿棉????? ???????????????????? ???????????????????? ???????????????????? ???????????????业;
7、????? ???????????????????? ???????????????????? ???????????????????? ???????????????石油化工企业;
8、空气及煤????? ???????????????????? ???????????????????? ???????????????????? ???????????????气清洁厂;
9、风机厂;
10、铝厂和????? ???????????????????? ???????????????????? ???????????????????? ???????????????碳素厂。
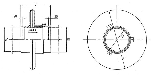
技术参数:
|
公称通径DN
|
DW |
D |
D1 ????? ????????? ???????????????????? ???????????????????? ???????????????????? ?????????????????????????? |
B |
重量Kg ????? ???????????????????? ??????????????????? ???????????????????? ??????????????? |
|
400 |
426 |
740 |
430 |
325 |
36.9 ????? ???????????????????? ??????????????????? ???????????????????? ??????????????? |
|
450 |
480 |
894 |
484 |
45.3 |
|
|
500 |
530 |
944 |
534 |
49.3 ????? ???????????????????? ???????????????????? ???????????????????? ??????????????? |
|
|
600 |
630 ????? ???????????????????? ???????????????????? ???????????????????? ??????????????? |
1043 |
633 |
57.????? ?????? ???????????????????? ??????????????????? ???????????????????? ?????????????????????????????5 ????? ???????????????????? ???????????????????? ???????????????????? ??????????????? |
|
|
700 |
720 ????? ???????????????????? ???????????????????? ???????????????????? ??????????????? |
1133 |
723 ????? ???????????????????? ???????????????????? ???????????????????? ??????????????? |
65.2 |
|
|
800 |
820 |
1233 |
823 |
73.4 |
|
|
900 ????? ???????????????????? ???????????????????? ???????????????????? ??????????????? |
920 |
1333 ????? ??????????????????? ??????????????????? ???????????????????? ??????????????? |
923 |
81.4 |
|
|
1000 |
1020 ????? ???????????????????? ???????????????????? ???????????????????? ??????????????? |
1433 |
1123 |
89.6 |
|
|
1100 |
1120 ????? ???????????????????? ???????????????????? ???????????????????? ???????????????????? ?????????????? |
1533 |
1123 ????? ??????????????????? ???????????????????? ??????????????????? ??????????????? |
99.3 ????? ???????????????????? ???????????????????? ???????????????????? ?????????????? |
|
|
1200 |
1220 |
1633 |
1223 ????? ???????????????????? ???????????????????? ???????????????????? ?????????????? |
106.7 |
|
|
1300 |
1320 |
1733 |
1323 |
114.8 |
|
|
1400 |
1420 |
1833 |
1423 |
122.6 ????? ??????????????????? ???????????????????? ???????????????????? ??????????????? |






